新版烧录软件与扩充的兼容芯片型号列表,成为昂科技术近期的两大重要发布。芯片烧录领导者昂科技术此次将意法半导体的32位微控制器STM32F402RCT纳入新增兼容型号,意味着该款芯片已获得昂科通用烧录平台AP8000的支持。
STM32F402RCT基于高性能的Arm® Cortex®-M4 32位RISC内核,工作频率高达84 MHz。Cortex®-M4内核带有单精度浮点运算单元(FPU),支持所有ARM®单精度数据处理指令和数据类型。具备DSP指令集和增强应用安全的内存保护单元(MPU)。
STM32F402RCT整合了高速内置存储器,Flash存储器和SRAM的容量分别高达256K字节和64K字节,以及大量连至2条APB总线、2条AHB总线和1个32位多AHB总线矩阵的增强型I/O与外设。
STM32F402RCT均带有1个12位ADC、1个低功耗RTC、6个通用16位定时器(包括1个用于电机控制的PWM定时器)、2个通用32位定时器。它们还带有标准与高级通信接口:
• 高达三个I2C
• 高达四个SPI
• 两个全双工I2S。为达到音频级的精度,I2S外设可通过专用内部音频PLL提供时钟,或使用外部时钟以实现同步。
• 三个USART
• SDIO接口
• USB 2.0 OTG全速接口。
STM32F402RCT的工作温度范围是-40至+ 85°C,供电电压范围是1.7(PDR OFF)至3.6V。适合低功耗应用设计的一组完整的节电模式。
这些特性使得STM32F402RCT微控制器适合于广泛的应用:
• 电机驱动和应用控制
• 医疗设备
• 工业应用:PLC、逆变器、断路器
• 打印机、扫描仪
• 警报系统、视频电话、HVAC
• 家庭音响设备
• 手机传感器集线器

特性
• Dynamic Efficiency™系列采用BAM(批采集模式)
– 1.7V至3.6V电源
– -40°C至85°C温度范围
• 内核:带FPU的Arm®32位Cortex®-M4 CPU,在Flash存储器中实现零等待状态运行性能的自适应实时加速器(ART加速器™)、主频高达84MHz,存储器保护单元,能够实现高达105DMIPS/1.25DMIPS/MHz(Dhrystone 2.1)的性能,具有DSP指令集
• 存储器
– 最大256KB Flash
– 512字节的OTP存储器
– 最大64KB SRAM
• 时钟、复位和电源管理
– 1.7V到3.6V供电和I/O
– POR、PDR、PVD和BOR
– 4至26MHz晶振
– 内置经工厂调校的16MHz RC振荡器
– 带校准功能的32kHz RTC振荡器
– 内置带校准功能的32kHz RC振荡器
• 功耗
– 运行:128µA/MHz(外设关)
– 停止(Flash处于停止模式,快唤醒时间):42µA典型值@25°C;65µA max@25°C
– 停止(Flash处于深掉电模式,慢唤醒时间):低至10µA典型值@25°C;最大28µA@25°C
– 待机:2.4µA @25°C/1.7V,无RTC;12µA@85°C@1.7V
– VBAT为RTC供电:1µA@25°C
• 1个12位、2.4MSPS A/D转换器(多达16通道)
• 通用DMA:具有FIFO和突发支持的16路DMA控制器
• 高达11个定时器:高达六个16位、两个32位定时器,最高84 MHz,每个有高达4个IC/OC/PWM或脉冲计数器和正交(增量)编码器输入,两个看门狗定时器(独立和窗口)和一个SysTick定时器
• 调试模式
– 串行线调试(SWD)和JTAG接口
– Cortex®-M4跟踪宏单元™
• 多达81个具有中断功能的I/O端口
– 所有IO端口都能耐5V电压
– 高达78个快速I/O,最高42MHz
• 多达11个通信接口
– 多达3个I2C接口(1Mbit/s,SMBus/PMBus)
– 高达3个USART(2 x 10.5 Mbit/s、1 x 5.25 Mbit/s),ISO 7816接口、LIN、IrDA、调制解调器控制)
– 高达4个SPI(在fCPU=84MHz时高达42Mbits/s),SPI2和SPI3具有复用的全双工I2S,通过内部音频PLL或外部时钟达到音频级精度
– SDIO接口
• 高级连接功能
– 具有片上PHY的USB 2.0全速器件/主机/OTG控制器
• CRC计算单元
• 96位唯一ID
• RTC:亚秒级精度、硬件日历
• 所有封装均为ECOPACK2

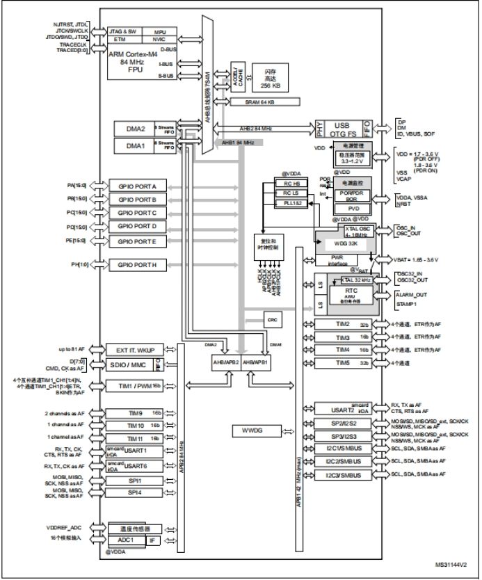
内部框图
昂科技术自主研发的AP8000万用烧录器,已成为行业内具有标杆意义的专业烧录解决方案。该设备支持灵活可调的一拖一及一拖八配置模式,并提供在线、离线双工作模式,尤其针对eMMC、UFS等存储芯片开发了专属烧录方案,可全面覆盖意法半导体全系列芯片的裸片离线烧录与在板烧录需求。AP8000采用主机、底板、适配座三大核心模块的创新模块化设计,赋予设备出色的兼容性与扩展能力。作为通用型烧录平台,其不仅能适配市场上各类可编程芯片,更以稳定高效的性能表现,成为昂科自动化批量烧录设备IPS5800S的核心组件,可高效处理大规模芯片烧录任务,满足量产需求。

AP8000主机具备灵活的连接方式,同时配备USB和NET接口,可实现多台编程器的便捷组网。通过组网功能,用户能够轻松实现多台编程器的同步控制,高效开展并行烧录作业。在安全性方面,主机内置智能安全保护电路,可实时监测芯片放置状态与电路连接情况,一旦检测到芯片反插、短路等异常,将立即触发断电保护机制,全方位守护芯片和编程器的安全运行。主机内部搭载高速FPGA芯片,大幅提升数据传输与处理效率,确保烧录过程流畅高效。为增强使用便捷性,主机背部设置SD卡槽,用户只需将PC端生成的工程文件存储至SD卡,并插入卡槽,即可通过编程器实体按键完成文件选择、加载与烧录操作,实现脱离PC的独立运行。这一设计不仅降低了对计算机硬件配置的依赖,还简化了工作环境搭建流程,显著提升操作灵活性。
在扩展性与兼容性上,AP8000采用底板与适配板模块化组合设计,有效拓展主机功能边界。目前,该设备已实现对全主流半导体厂商产品的支持,覆盖MindMotion, HISILICON, CHIPSEA, GOODIX, ChipON等知名品牌。其支持器件类型广泛,涵盖NAND, NOR, MCU, CPLD, FPGA, EMMC等,并全面兼容Intel Hex, Motorola S, Binary, POF等多种行业标准文件格式,为用户提供一站式、全场景的芯片烧录解决方案。